Дренажный насос Wilo-Drain TM 32/8, 4048411
Доставляем товар Новой Почтой, Мист Експрессом и Деливери с полным страхованием товара.
Оплату можно осуществить на карту ПриватБанка, на расчетный счет с НДС или наложенным платежом.
Отправка товара происходит после предоплаты 10% от суммы товара!
Предоставляется официальная гарантия от производителя. Срок уточнять у менеджера
Наши менеджеры всегда готовы помочь Вам в решении проблем или вопросов.
Звоните: 068 77 28 777, 099 30 46 777!
Описание Дренажный насос Wilo-Drain TM 32/8
Дренажный насос Wilo-Drain TM 32/8
Насос дренажный применяется для откачивания производственных и бытовых сточных вод, автоматического опорожнения котлованов и шахт, поддержания в сухом состоянии затопляемых построек и подвалов, для снижения уровня воды. Насос нельзя использовать для воды, содержащей крупные загрязнения, например, песок, волокна или фекалии, взрывчатые вещества, а также в потенциально взрывоопасных зонах.
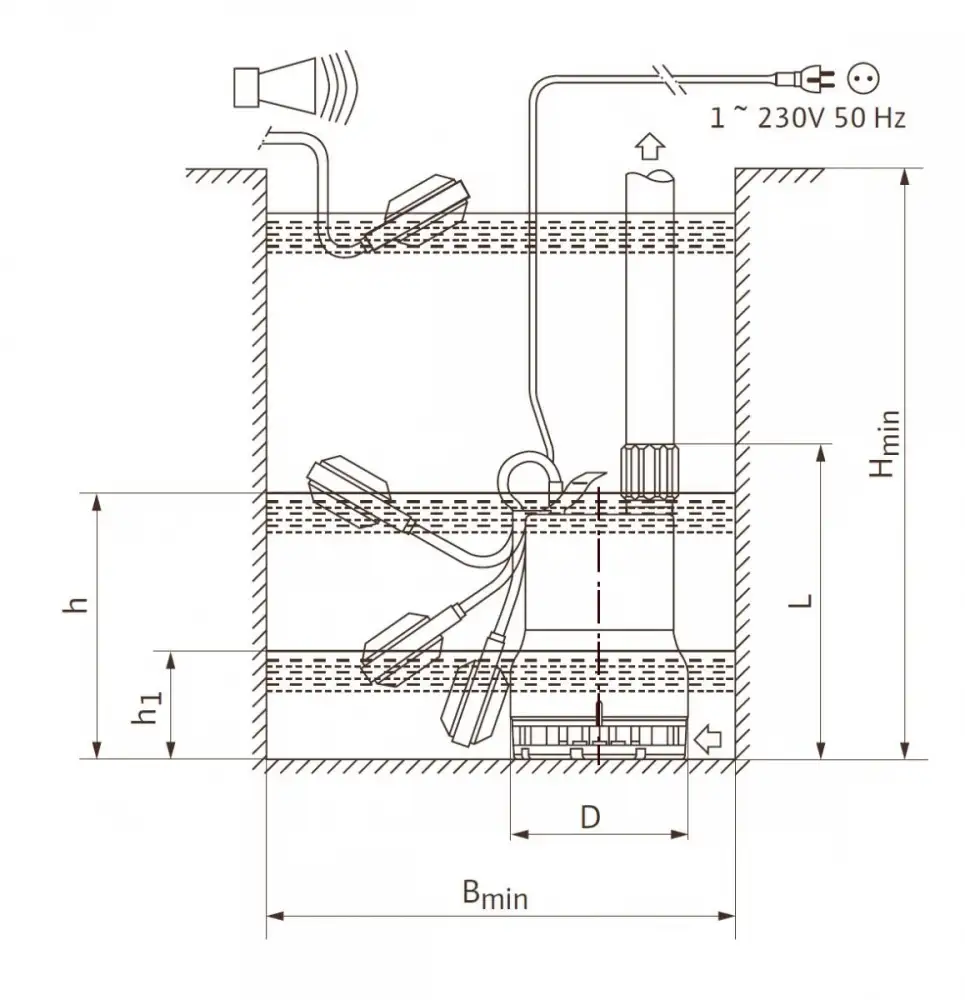
Технические характеристики напорной установки Wilo-Drain TM 32/8
![]()  | 
Главные особенности напорной установки Wilo-Drain TM 32/8
![]()  | 
 Компактный, легкий, готовый к подключению насос с кабелем 10 м. и штекером, встроенным обратным клапаном  | 
![]()  | 
 Возможность монтажа насоса как для стационарного, так и для мобильного применения  | 
![]()  | 
 Габариты насоса и допустимая частота его включений позволяют уменьшить размеры приемного колодца  | 
![]()  | 
 Электродвигатель выполнен с рубашкой охлаждения, со встроенной термической защитой от перегрузок  | 
![]()  | 
 Уплотнения вала со стороны рабочего колеса и со стороны двигателя, между которыми находится масляная камера, обеспечивают надежную герметизацию двигателя  | 
![]()  | 
 При монтаже с прибором управления Wilo возможность установки звукового сигнала аварии по переполнению приемного колодца  | 
![]()  | 
 Полностью автоматическая работа насоса по уровню воды в приямке  | 
О компании Wilo
![]()  | 
Компания «WILO» (Германия) является одной из ведущих мировых производителей насосов и насосных систем для отопления, кондиционирования, охлаждения и кондиционирования воздуха, водоснабжения, а также очистки и отвода сточных вод. Компания Wilo начала свою деятельность в 1872 году. Компания насчитывает около 6700 сотрудников по всему миру, а ее оборот в 2011 году составил 1070.5 миллионов Евро.
Интернет компания «SvitTepla» - это поставщик продукции компании Wilo. Наша компания поставляет только оригинальное оборудование от производителя. Купить Насос для повышения давления Wilo-Drain TM 32/8 по доступной цене можно, если обратиться за профессиональной помощью к менеджерам компании «SvitTepla» которые с радостью предоставлять Вам необходимую информацию и помогут выбрать нужную модель насоса Wilo.
Характеристики Дренажный насос Wilo-Drain TM 32/8
Отзывы покупателей
Киев, Харьков, Одесса, Днепр, Запорожье, Львов, Кривой Рог, Николаев, Мариуполь, Винница, Макеевка, Херсон, Полтава, Чернигов, Черкассы, Хмельницкий, Житомир, Черновцы, Сумы, Ровно, Горловка, Ивано-Франковск, Каменское , Кропивницкий, Кременчуг, Тернополь и другие.
			  
			
          
    
    
	    






